d 40-150mm
Contact us

European Bearing Company, Ltd

Tel:+86 138 1864 4961, +86 131 2063 6066

E-Mail:info@eubeco.com

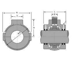
Dimension and Parameters
  Bearing Bearing No No. (1) (suspended bearings only) G
mm
L
mm
H
mm
X Y
mm
R
mm
Suspended bearing
weight
  d
mm
1 kg
INFO 40 01 B 40M EX 01 H 40M 100 108 66 M30 50 106 2.6
INFO 50 01E B 50M EX 01 H 50M 118 108 76 M30 50 123 4.1
INFO 60 01E B 60M EX 01 H 60M 134 108 82 M30 50 139 4.7
INFO 65 01E B 65M EX 01 H 65M 134 108 82 M30 50 139 4.7
INFO 70 01E B 70M EX 01 H 70M 158 130 92 M30 50 162 8.0
INFO 75 100 B 75M EX 100 H 75M 134 108 82 M30 50 139 4.7
INFO 80 01E B 75M EX 01 H 75M 158 130 92 M30 50 162 8.0
INFO 85 01E B 80M EX 01 H 80M 178 146 114 M36 76 188 12.0
INFO 85 100 B 85M EX 100 H 85M 158 130 92 M30 50 162 8.0
INFO 85 01E B 85M EX 01 H 85M 178 146 114 M36 76 188 12.0
INFO 90 01E B 90M EX 01 H 90M 178 146 114 M36 76 188 12.0
INFO 100 100 B 100M E 100 H 100M 178 146 114 M36 76 188 12.0
INFO 100 01E B 100M E 01 H 100M 203 152 127 M36 76 204 14.0
INFO 105 01E B 105M EX 01E H 105M 203 152 127 M36 76 204 14.0
INFO 110 100 B 110M EX 100 H 110M 203 152 127 M36 76 204 14.0
INFO 110 01 B 110M EX 01 H 110M 232 156 140 M36 76 226 16.4
INFO 115 01 B 115M EX 01 H 115M 232 156 140 M36 76 226 16.4
INFO 120 100 B 120M EX 100 H 120M 232 156 140 M36 76 226 16.4
INFO 120 01 B 120M EX 01 H 120M 276 162 156 M36 76 238 22.3
INFO 125 01 B 125M EX 01 H 125M 276 162 156 M36 76 238 22.3
INFO 130 100 B 130M EX 100 H 130M 232 156 140 M36 76 226 16.4
INFO 130 01 B 130M EX 01 H 130M 276 162 156 M36 76 238 22.3
INFO 135 01 B 135M EX 01 H 135M 280 158 160 M36 76 264 20.9
INFO 140 100 B 140M EX 100 H 140M 276 162 156 M36 76 238 22.3
INFO 140 01 B 140M EX 01 H 140M 280 158 160 M36 76 264 20.9
INFO 150 100 B 150M EX 100 H 150M 280 158 160 M36 76 264 20.9
2026 European Bearing Company, Ltd