Wound bearing >> Inch pull d 1 3/16-2 15/16 inch
Inch pull d 1 3/16-2 15/16 inch
Contact us

European Bearing Company, Ltd

Tel:+86 138 1864 4961, +86 131 2063 6066

E-Mail:info@eubeco.com

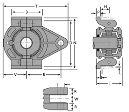
Dimension and Parameters
  Shaft diameter number B
mm
N
mm
D
mm
A
mm
T
mm
X
mm
V
mm
K
mm
P
mm
H
mm
W
mm
R
mm
L
mm
Weight complete bearing (1)
  d
mm
Complete set of bearings (1) Winding bearing pedestal only kg
INFO 1 3/16 01 BCTT 103 TT01 102 172 153 114 216 20 76 27 14 29 25 24 86 7
INFO 1 1/4 01 BCTT 104 TT01 102 172 153 114 216 20 76 27 14 29 25 24 86 7
INFO 1 7/16 01 BCTT 107 TT01 102 172 153 114 216 20 76 27 14 29 25 24 86 7
INFO 1 1/2 01 BCTT 108 TT01 102 172 153 114 216 20 76 27 14 29 25 24 86 7
INFO 1 11/16 01E BCTT 111 TT02 114 204 178 128 242 24 88 29 16 29 25 25 98 10
INFO 1 3/4 01E BCTT 112 TT02 114 204 178 128 242 24 88 29 16 29 25 25 98 10
INFO 1 15/16 01E BCTT 115 TT02 114 204 178 128 242 24 88 29 16 29 25 25 98 10
INFO 1 15/16 02 BCTT 115 TT03 128 235 203 146 280 24 102 35 20 32 30 29 114 13
INFO 2 01E BCTT 200 TT02 114 204 178 128 242 24 88 29 16 29 25 25 98 10
INFO 2 02 BCTT 200 TT03 128 235 203 146 280 24 102 35 20 32 30 29 114 13
INFO 2 3/16 01E BCTT 203 TT03 128 235 203 146 280 24 102 30 20 32 30 29 104 13
INFO 2 3/16 02 BCTT 203 TT04 152 266 229 158 305 24 114 38 22 40 30 32 126 19
INFO 2 1/4 01E BCTT 204 TT03 128 235 203 146 280 24 102 30 20 32 30 29 104 13
INFO 2 1/4 02 BCTT 204 TT04 152 266 229 158 305 24 114 38 22 40 30 32 126 19
INFO 2 7/16 01E BCTT 207 TT03 128 235 203 146 280 24 102 30 20 32 30 29 104 13
INFO 2 7/16 02 BCTT 207 TT04 152 266 229 158 305 24 114 38 22 40 30 32 126 19
INFO 2 1/2 01E BCTT 208 TT03 128 235 203 146 280 24 102 30 20 32 30 29 104 13
INFO 2 1/2 02 BCTT 208 TT04 152 266 229 158 305 24 114 38 22 40 30 32 126 19
INFO 2 11/16 01E BCTT 211 TT04 152 266 229 158 305 24 114 35 22 40 30 32 114 19
INFO 2 11/16 02 BCTT 211 TT05 190 318 280 190 368 30 140 41 22 40 38 35 140 30
INFO 2 3/4 01E BCTT 212 TT04 152 266 229 158 305 24 114 35 22 40 30 32 114 19
INFO 2 3/4 02 BCTT 212 TT05 190 318 280 190 368 30 140 41 22 40 38 35 140 30
INFO 2 15/16 100 BCTT 215 TT03 128 235 203 146 280 24 102 30 20 32 30 29 104 13
INFO 2 15/16 01E BCTT 215 TT04 152 266 229 158 305 24 114 35 22 40 30 32 114 19
INFO 2 15/16 02 BCTT 215 TT05 190 318 280 190 368 30 140 41 22 40 38 35 140 30
2026 European Bearing Company, Ltd