d 240-431mm
Contact us

European Bearing Company, Ltd

Tel:+86 138 1864 4961, +86 131 2063 6066

E-Mail:info@eubeco.com

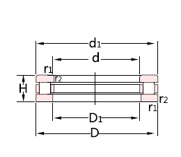
Dimension and Parameters
  Basic dimension mm Basic rated load kn Code Rated speed r/min Dimension mm Shoulder and chamfer size mm quality
  d D H Dynamic C Static Co Reference speed Limiting speed d d1 D1 r1.2
min
da
min
Da
max
ra
max
kg
INFO 240 300 45 475 2450 81148M 560 1100 240 297 243 1.5 296 248 1.5 8.45
INFO 240 340 78 1100 4900 81248M 400 800 240 335 244 2.1 335 261 2.1 22
INFO 260 320 45 490 2600 81152M 530 1100 260 317 263 1.5 316 268 1.5 9.1
INFO 260 360 79 1140 5300 81252M 380 750 260 355 264 2.1 353 280 2.1 27
INFO 260 480 132 2850 14300 89452 300 630 260 480 265 6 472 288 5 114
INFO 280 350 53 680 3550 81156M 480 950 280 347 283 1.5 346 288 1.5 12.5
INFO 280 380 80 1160 5500 81256M 360 750 280 375 284 2.1 373 300 2.1 30
INFO 280 520 190 3900 14600 358112 180 260 280 520 286 6 480 320 5 195
INFO 300 380 48 640 3550 89160 340 450 300 377 303 2 360 320 2 13.5
INFO 300 380 62 850 4400 81160M 430 850 300 376 304 2 373 315 2 19.5
INFO 300 420 95 1530 7200 81260M 320 630 300 415 304 3 413 328 3 43
INFO 320 400 63 880 4650 81164M 400 800 320 396 324 2 394 334 2 20.5
INFO 320 440 95 1560 7500 81264M 300 600 320 435 325 3 434 348 2.5 42.5
INFO 330 495 89 2240 12000 BGSB358345 200 300 330 495 330 5 476 352 4 66
INFO 340 420 64 900 4900 81168M 380 800 340 416 344 2 414 354 2 22.5
INFO 340 460 96 1600 7800 81268M 300 600 340 455 345 3 452 367 2.5 47
INFO 360 440 48 680 4150 89172M 400 800 360 437 363 2 420 380 2 15.5
INFO 360 440 65 900 4900 81172M 380 750 360 436 364 2 434 374 2 19.5
INFO 360 500 110 2160 10400 81272M 260 530 360 495 365 4 492 393 3 65.5
INFO 380 460 48 710 4400 89176M 400 800 380 457 383 2 440 400 2 16.5
INFO 380 460 65 900 5000 81176M 360 750 380 456 384 2 453 393 2 22
INFO 380 520 112 2080 10000 81276M 260 500 380 515 385 4 511 413 3 75
INFO 400 480 48 735 4650 89180M 400 800 400 477 403 2 460 420 2 17.5
INFO 400 480 65 965 5600 81180M 360 700 400 476 404 2 473 413 2 23
INFO 400 540 112 2120 10400 81280M 240 500 400 535 405 4 531 433 3 73
INFO 400 710 185 5700 31000 358191 100 150 400 710 405 7.5 696 440 6 350
INFO 420 500 48 765 4900 89184M 380 750 420 497 423 2 480 440 2 18
INFO 420 500 65 980 5850 81184M 340 700 420 495 424 2 493 433 2 24
INFO 420 580 130 2850 14000 81284M 160 220 420 575 425 5 571 450 4 95.5
INFO 431 571 89 2040 11800 BGSB358346 190 280 431 571 431 5 549 455 4 68
2026 European Bearing Company, Ltd