d 330-900mm
Contact us

European Bearing Company, Ltd

Tel:+86 138 1864 4961, +86 131 2063 6066

E-Mail:info@eubeco.com

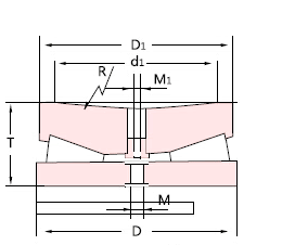
Dimension and Parameters
  Shaft diameter mm Overall dimension mm d1 R M M1 rrmin Code Axial load quality
  d D D1 T T1 kg kg
INFO 330 330 328 95 - 280 381 M20 - 2.4 4297/330K 11500 51.4
INFO 377 377 375 129 112 330 914 M24 - 2.4 4397/377 - -
INFO 377 377 375 129 112 330 930 M24 - 2.4 4397/377K 16044 94.7
INFO 377 377 375 112 - 330 457.2 M24 - 2.4 4297/377 - -
INFO 380 380 378 129 112 330 914.4 M24 M30 2.4 4397/380 - -
INFO 380 380 378 112 - 330 457.2 M24 M30 2.4 4297/380 - -
INFO 410 410 408 142 122 355 1060 M24 M30 3 4397/410 - -
INFO 410 410 408 122 - 355 508 M24 M30 3 4297/410 - -
INFO 440 440 438 152 130 380 1016 M24 M36 3 4397/440 - -
INFO 440 440 438 130 - 380 508 M24 M36 3 4297/440 23330 137
INFO 495 495 492 172 146 432 1066.8 M24 M36 3 4397/495 - -
INFO 495 495 492 146 - 432 558.8 M24 M36 3 4297/495 - -
INFO 525 525 522 180 155 460 1270 M24 M36 3 4397/525 36202 266
INFO 525 525 522 155 - 460 635 M24 M36 3 4297/525 - -
INFO 555 555 552 192 165 482 1270 M24 M36 3 4397/555 - -
INFO 555 555 552 165 - 482 635 M24 M36 3 4297/555 - -
INFO 580 580 577 165 - 510 710 M24 M42 3 4297/580 41560 300.6
INFO 581 581.025 578.663 193.777 168.275 508 1422.4 M24 M42 3.2 - 38984 338
INFO 610 610 607 205 178 533 1524 M30 M42 3 4397/610 - -
INFO 610 610 607 178 - - 762 M30 M42 3 4297/610 - -
INFO 640 640 637 214.5 185 550 1520 M30 M42 3 4397/640/HC 48560 454
INFO 640 640 637 185 - 550 762 M30 M42 3 4297/640 49200 418
INFO 710 710 705 250 210 610 1600 M30 M42 4 4397/710 - -
INFO 710 710 705 250 205 610 1400 M30 M42 4 4397/710K 62703 647
INFO 750 750 745 260 225 650 1600 M30 M42 4 4397/750/HA/A1 63900 747
INFO 800 800 795 270 245 700 1700 M30 M48 5 4937/800 - -
INFO 900 900 896 280 236 750 1800 M36 M48 6 4937/900/HC 94000 1150
2026 European Bearing Company, Ltd