Thrust ball bearing >> d 70-100mm
d 70-100mm
Contact us

European Bearing Company, Ltd

Tel:+86 138 1864 4961, +86 131 2063 6066

E-Mail:info@eubeco.com

Dimension and Parameters
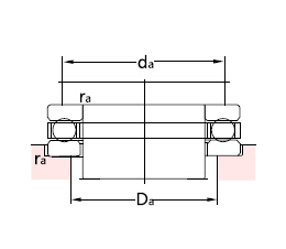
  Basic dimension mm Basic rated load kn Code Rated speed r/min Dimension mm Shoulder and chamfer size mm quality
  d D H Dynamic C Static Co Reference speed Limit speed r/min d d1 D1 r1.2
min
Da
max
da
min
ra
max
kg
INFO 70 125 40 135 320 51314M 1900 3000 70 125 72 1.1 103 92 1 2.5
INFO 70 125 40 135 320 51314 1900 2600 70 125 72 1.1 103 92 1 2
INFO 70 150 60 234 550 51414M 1400 2000 70 150 73 2 118 102 2 5
INFO 75 135 44 163 390 51315 1700 2400 75 135 77 1.5 111 99 1.5 2.6
INFO 75 160 65 251 610 51415M 1300 1800 75 160 78 2 126 109 2 6.75
INFO 80 140 44 159 390 51316 1700 2400 80 140 82 1.5 116 104 1.5 2.7
INFO 80 170 68 302 750 51416M 1200 1700 80 170 83 2.1 133 117 2 7.95
INFO 85 110 19 44.9 146 51117 3000 4300 85 110 87 1 100 95 1 0.44
INFO 85 150 49 174 405 51317 1600 2200 85 150 88 1.5 124 111 1.5 3.55
INFO 85 180 72 286 750 51417M 1200 1600 85 177 88 2.1 141 124 2 9.45
INFO 90 135 35 112 290 51218 2000 2800 90 135 93 1.1 117 108 1 1.7
INFO 90 155 50 182 440 51318 1500 2200 90 155 93 1.5 129 116 1.5 3.8
INFO 90 190 77 307 815 51418M 1100 1500 90 187 93 2.1 149 131 2 11
INFO 100 135 25 80.6 265 51120 2400 3200 100 135 102 1 121 114 1 0.97
INFO 100 135 25 80.6 265 51120M 2400 3500 100 135 102 1 121 114 1 1.05
INFO 100 150 38 119 325 51220 1800 2400 100 150 103 1.1 130 120 1 2.2
INFO 100 170 55 225 570 51320 1400 1900 100 170 103 1.5 142 128 1.5 4.95
INFO 100 170 55 225 570 51320M 1400 2300 100 170 103 1.5 142 128 1.5 5.4
INFO 100 210 85 371 1060 51420M 950 1400 100 205 103 3 165 145 2.5 15
INFO 70 125 40 135 320 51314M 1900 3000 70 125 72 1.1 103 92 1 2.5
INFO 70 125 40 135 320 51314 1900 2600 70 125 72 1.1 103 92 1 2
INFO 70 150 60 234 550 51414M 1400 2000 70 150 73 2 118 102 2 5
INFO 75 135 44 163 390 51315 1700 2400 75 135 77 1.5 111 99 1.5 2.6
INFO 75 160 65 251 610 51415M 1300 1800 75 160 78 2 126 109 2 6.75
INFO 80 140 44 159 390 51316 1700 2400 80 140 82 1.5 116 104 1.5 2.7
INFO 80 170 68 302 750 51416M 1200 1700 80 170 83 2.1 133 117 2 7.95
INFO 85 110 19 44.9 146 51117 3000 4300 85 110 87 1 100 95 1 0.44
INFO 85 150 49 174 405 51317 1600 2200 85 150 88 1.5 124 111 1.5 3.55
INFO 85 180 72 286 750 51417M 1200 1600 85 177 88 2.1 141 124 2 9.45
INFO 90 135 35 112 290 51218 2000 2800 90 135 93 1.1 117 108 1 1.7
INFO 90 155 50 182 440 51318 1500 2200 90 155 93 1.5 129 116 1.5 3.8
INFO 90 190 77 307 815 51418M 1100 1500 90 187 93 2.1 149 131 2 11
INFO 100 135 25 80.6 265 51120 2400 3200 100 135 102 1 121 114 1 0.97
INFO 100 135 25 80.6 265 51120M 2400 3500 100 135 102 1 121 114 1 1.05
INFO 100 150 38 119 325 51220 1800 2400 100 150 103 1.1 130 120 1 2.2
INFO 100 170 55 225 570 51320 1400 1900 100 170 103 1.5 142 128 1.5 4.95
INFO 100 170 55 225 570 51320M 1400 2300 100 170 103 1.5 142 128 1.5 5.4
INFO 100 210 85 371 1060 51420M 950 1400 100 205 103 3 165 145 2.5 15
2026 European Bearing Company, Ltd