d 100mm
Contact us

European Bearing Company, Ltd

Tel:+86 138 1864 4961, +86 131 2063 6066

E-Mail:info@eubeco.com

Dimension and Parameters
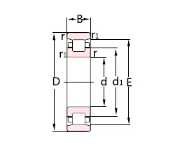
  Basic dimension mm Basic rated load Code Rated speed r/min Mass kg Dimension mm Shoulder and chamfer size mm
  d D B/B1 Dynamic ckn Static cokn Reference speed Limit speed r/min d1
D1
F,E r1.2
min
r3.4
min
S1) da
min
da
max
db
min
Da
max
cancel ra
max
rb
max
INFO 100 165 52 303 450 NU3120MA6/C3/342756 3000 3600 4.4 - 147 116.5 1.1 2 4.9 106.5 114 119 156 - 1 2
INFO 100 180 34 285 305 NU220ECP 4000 4500 3.45 - 155.6 119 2.1 2.1 1.7 113 116 122 167.5 - 2 2
INFO 100 180 34/46 285 305 NUB220ECJ 4000 4500 3.75 - 155.6 119 2.1 2.1 6.8 113 116 122 167.5 - 2 2
INFO 100 180 34 285 305 NJ220ECP 4000 4500 3.5 127 155.6 119 2.1 2.1 1.7 113 116 130 167.5 - 2 -
INFO 100 180 34 285 305 NUP220ECP 4000 4500 3.6 127 155.6 119 2.1 2.1 - 113 - 130 167.5 - 2 -
INFO 100 180 34 285 305 N220ECP 4000 4500 3.45 127 - 163 2.1 2.1 1.7 113 160 166 168 - 2 2
INFO 100 180 46 380 450 NU2220ECP 4000 4500 4.75 - 155.6 119 2.1 2.1 2.5 113 116 122 167.5 - 2 2
INFO 100 180 46 380 450 NU2220ECNP 4000 4500 4.75 - 155.6 119 2.1 2.1 2.5 113 116 122 167.5 - 2 2
INFO 100 180 46 380 450 NJ2220ECP 4000 4500 4.8 127 155.6 119 2.1 2.1 2.5 113 116 130 167.5 - 2 -
INFO 100 180 46 380 450 NUP2220ECP 4000 4500 4.9 127 155.6 119 2.1 2.1 - 113 - 130 167.5 - 2 -
INFO 100 180 46 380 450 NF2220ECP/VA350 4000 4500 4.9 127 155.6 163 2.1 2.1 2.5 113 - - 167.5 - 2 2
INFO 100 180 46 380 450 N2220ECMP 4000 4500 4.9 127 - 163 2.1 2.1 2.5 113 160 - 167.5 - 2 2
INFO 100 180 46 336 450 BC1B326572 3200 3800 5.4 130 155.6 119 2.1 2.1 2.9 113 116 122 167.5 - 2 2
INFO 100 180 46/96 260 340 313638 3200 3800 6.7 - 151 120 2.1 2.1 2.6 111 116 122 169 - 2 2
INFO 100 180 60.3 336 450 BC1B322617A 3200 3800 6 127 156 119 2.1 2.1 3.4 111 114 130 169 - 2 2
INFO 100 180 60.3 336 450 BC1B322616A 3200 3800 6 127 156 119 2.1 2.1 3.9 111 114 130 169 - 2 2
INFO 100 180.075 60.325 413 585 BC1B319697A 3000 3600 7.1 - 157 121 2.6 2 4.8 113 119 123 171 - 2.5 2
INFO 100 200 67 396 500 1-96750M 2600 3200 9 132 162 121.5 3 3 3 113 116 - 187 - 2.5 2.5
INFO 100 200 67/80 396 500 1-96751M 2600 3200 10 132 162 121.5 3 3 - 113 116 - 187 - 2.5 2.5
INFO 100 215 47 450 440 NU320ECP 3200 3800 8.8 - 181.1 127.5 3 3 2.9 114 124 131 199.6 - 2.5 2.5
INFO 100 215 47 450 440 NJ320ECP 3200 3800 9 139 181.1 127.5 3 3 2.9 114 124 142 199.6 - 2.5 -
INFO 100 215 47 450 440 NUP320ECP 3200 3800 7.95 139 181.1 127.5 3 3 - 114 - 142 199.6 - 2.5 -
INFO 100 215 47 450 440 NF320ECM 3200 3800 7.95 139 181.1 191.5 3 3 2.9 114 - - 199.6 - 2.5 2.5
INFO 100 215 47 450 440 N320ECP 3200 3800 7.55 139 - 191.5 3 3 2.9 114 188 195 200 - 2.5 2.5
INFO 100 215 73 670 735 NU2320ECP 3200 3800 13.7 - 181.1 127.5 3 3 5.9 114 124 131 199.6 - 2.5 2.5
INFO 100 215 73 670 735 NU2320ECKMA 3200 3800 13.1 - 181.1 127.5 3 3 5.9 114 124 131 199.6 - 2.5 2.5
INFO 100 215 73 670 735 NJ2320ECP 3200 3800 14 139 181.1 127.5 3 3 5.9 114 124 142 199.6 - 2.5 -
INFO 100 215 73 670 735 NJP2320ECDMC4V350 3200 3800 14 139 181.1 127.5 3 3 5.9 114 124 142 199.6 - 2.5 2.5
INFO 100 215 73 670 735 NUP2320ECJ 3200 3800 14.5 139 181.1 127.5 3 3 - 114 - 142 199.6 - 2.5 -
2026 European Bearing Company, Ltd