RSL1850..-A
Contact us

European Bearing Company, Ltd

Tel:+86 138 1864 4961, +86 131 2063 6066

E-Mail:info@eubeco.com

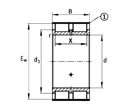
Dimension and Parameters
  Model 1) 2) Mass m=kg size Installation dimension
d1
Basic load rating
  d B r min. Ew 3) X Dynamic load CR n Static load cor n
INFO RSL185004-A 0.12 20 30 0.6 36.81 23 29 46500 52000
INFO RSL185005-A 0.15 25 30 0.6 42.51 23 34.5 53000 64000
INFO RSL185006-A 0.22 30 34 1 49.6 26 40 69000 84000
INFO RSL185007-A 0.28 35 36 1 55.52 28 45 83000 107000
INFO RSL185008-A 0.35 40 38 1 61.74 30 50.5 100000 133000
INFO RSL185009-A 0.42 45 40 1 66.85 30 55.5 106000 148000
INFO RSL185010-A 0.46 50 40 1 72.33 33 59.5 134000 188000
INFO RSL185011-A 0.86 55 46 1.1 83.54 39 68.5 182000 275000
INFO RSL185012-A 0.79 60 46 1.1 86.74 39 71.5 187000 285000
INFO RSL185013-A 0.94 65 46 1.1 93.09 39 78.8 197000 315000
INFO RSL185014-A 1.12 70 54 1.1 100.28 42 81.5 233000 350000
INFO RSL185015-A 1.46 75 54 1.1 107.9 42 89 245000 385000
INFO RSL185016-A 1.84 80 60 1.1 116.99 47 95 290000 440000
INFO RSL185017-A 1.9 85 60 1.1 121.44 47 99.5 300000 465000
INFO RSL185018-A 2.48 90 67 1.5 130.11 52 106.5 350000 550000
INFO RSL185020-A 2.6 100 67 1.5 139.65 52 116 370000 600000
INFO RSL185022-A 3.95 110 80 2 156.13 62 128 485000 770000
INFO RSL185024-A 4.55 120 80 2 167.58 62 139 510000 950000
INFO RSL185026-A 6.7 130 95 2 183.81 78 149 730000 1210000
INFO RSL185028-A 7.9 140 95 2 197.82 78 163 780000 1340000
INFO RSL185030-A 8.2 150 100 2.1 206.8 80 170.5 810000 1390000
INFO RSL185032-A 11 160 109 2.1 224.8 86 185 930000 1610000
INFO RSL185034-A 15.6 170 122 2.1 242.85 100 198.5 1200000 2110000
INFO RSL185036-A 20.45 180 136 2.1 260.22 110 212.5 1390000 2480000
INFO RSL185038-A 21.2 190 136 2.1 269.76 110 222 1430000 2600000
INFO RSL185040-A 27.4 200 150 2.1 287.75 120 237 1630000 3000000
INFO - - - - - - - - - -
INFO - - - - - - - - - -
INFO - - - - - - - - - -
2026 European Bearing Company, Ltd