d 100-110mm
Contact us

European Bearing Company, Ltd

Tel:+86 138 1864 4961, +86 131 2063 6066

E-Mail:info@eubeco.com

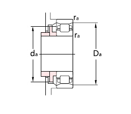
Dimension and Parameters
  Basic dimension mm Basic rated load Code Rated speed r/min Mass
kg
Dimension mm Shoulder and chamfer size mm
  d D B/B1 Dynamic ckn Static
co
kn
Reference speed Limiting speed d1≈ D1≈ F,E r1.2
min
r3.4
min
S1) da
min
da
max
db
min
Da
max
ra
max
rb
max
INFO 100 250 58 457 520 NU420M 3000 3600 15.5 - 197.45 139 4 4 4.9 119 135 142 230 取消 3 3
INFO 100 280 65 550 630 314461A(NJ/C5) 2000 2600 23.5 171 217 155 4 4 4.8 116 150 174 264 - 3 3
INFO 105 160 26 101 137 NU1021ML 4800 7500 1.9 - 140.8 119.5 2 1.1 3.8 111 117 122 151 - 2 1
INFO 105 190 36 300 315 NU221ECP 3800 4300 4 - 164 125 2.1 2.1 2 117 122 128 177.3 - 2 2
INFO 105 190 36 300 315 NJ221ECP 3800 4300 4.1 134 164 125 2.1 2.1 2 117 122 137 177.3 - 2 -
INFO 105 190 36 300 315 NUP221ECP 3800 4300 4.2 134 164 125 2.1 2.1 - 117 - 137 177.3 - 2 -
INFO 105 190 36 300 315 N221ECP 3800 4300 3.95 134 - 173 2.1 2.1 2 117 170 176 178 - 2 2
INFO 105 225 49 500 500 NU321ECP 3200 3800 8.8 - 189 133 3 3 3.4 119 129 136 209.4 - 2.5 2.5
INFO 105 225 49 500 500 NJ321ECP 3200 3800 8.95 145 189 133 3 3 3.4 119 129 148 209.4 - 2.5 -
INFO 105 225 49 500 500 N321ECP 3200 3800 8.65 145 - 201 3 3 3.4 119 198 205 210 - 2.5 2.5
INFO 105 260 60 501 570 NU421M 2800 3400 19 - 206.3 144.5 4 4 4.9 124 140 147 241 - 3 3
INFO 105 260 60 501 570 NJ421M 2800 3400 19 159 206.3 144.5 4 4 4.9 124 140 147 241 - 3 3
INFO 105 260 60/76.14 501 570 465093F3/W33(NJ/CJ-HJ) 2200 2800 21.5 159 207 144.5 4 4 - 121 - - 244 - 3 3
INFO 110 170 28 128 166 NU1022ML 4500 7000 2.3 - 149.7 125 2 1.1 3.8 116 122 128 160 - 2 1
INFO 110 170 28 128 166 N1022AKTN9/SP 4500 7000 2.05 132 - 155 2 1.1 4 116 152 - 160 - 1 2
INFO 110 170 28 128 166 NJ1022ECJ 4500 7000 2.3 131 149.7 125 2 1.1 0.5 116 122 134 160 - 2 1
INFO 110 170 36 220 325 NU2022ECMA 3200 3800 2.9 - 153 125 1.1 2 1.9 116.5 122 128 161 - 2 1
INFO 110 180 56 319 475 315779(N/C2) 2600 3200 5.7 135 - 166 1 2 3.8 116 163 - 170 - 1 2
INFO 110 200 38 335 365 NU222ECP 3600 4000 4.8 - 172.5 132.5 2.1 2.1 2.1 122 129 135 187 - 2 2
INFO 110 200 38/53 335 365 NUB222ECJ 3600 4000 5.2 - 172.5 132.5 2.1 2.1 6.8 122 129 135 187 - 2 2
INFO 110 200 38 335 365 NJ222ECP 3600 4000 6.7 141 172.5 132.5 2.1 2.1 3.7 122 129 144 187 - 2 -
INFO 110 200 38 335 365 NUP222ECP 3600 4000 5 141 172.5 132.5 2.1 2.1 - 122 - 144 187 - 2 -
INFO 110 200 38 335 365 NF222ECM 3600 4000 4.95 141 172.5 180.5 2.1 2.1 2.1 122 - - 187 - 2 2
INFO 110 200 38 335 365 N222ECP 3600 4000 4.8 141 - 180.5 2.1 2.1 2.1 122 177 184 188 - 2 2
INFO 110 200 53 440 520 NU2222ECP 3600 4000 6.7 - 172.5 132.5 2.1 2.1 3.7 122 129 135 187 - 2 2
INFO 110 200 53 440 520 NJ2222ECP 3600 4000 6.85 141 172.5 132.5 2.1 2.1 3.7 122 129 144 187 - 2 -
INFO 110 200 53 440 520 NUP2222ECP 3600 4000 7 141 172.5 132.5 2.1 2.1 - 122 - 144 187 - 2 -
INFO 110 200 53 440 520 NF2222ECP/C3VA350 3600 4000 7 141 172.5 180.5 2.1 2.1 3.7 122 - - 187 - 2 2
INFO 110 215 73 468 600 312393A(NJ/C4VA350) 2400 3000 12.5 147 179 135.5 3 3 1.7 123 129 150 202 - 2.5 2.5
INFO 110 215 73 468 600 315262A(NJP/C4VA350) 2400 3000 12.5 147 179 135.5 3 3 4.5 123 129 150 202 - 2.5 2.5
2026 European Bearing Company, Ltd