d 170-180mm
Contact us

European Bearing Company, Ltd

Tel:+86 138 1864 4961, +86 131 2063 6066

E-Mail:info@eubeco.com

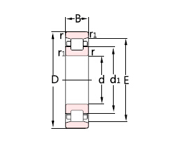
Dimension and Parameters
  Basic dimension mm Basic rated load Code Rated speed r/min Mass
kg
Dimension mm Shoulder and chamfer size mm
  d D B Dynamic ckn Static
co
kn
Reference speed Limit speed r/min d1≈ D1≈ F,E r1.2
min
r3.4
min
S1) da
min
da
max
db
min
Da
max
cancel ra
max
rb
max
INFO 170 360 72 952 1180 NU334MA 1700 2200 38.5 - 300.45 218 4 4 4.6 187 213 223 341.6 - 3 3
INFO 170 360 72 952 1180 NU334ECMP 1700 2200 39 - 300.45 218 4 4 4.6 187 213 221 341.6 - 3 3
INFO 170 360 72 952 1180 N334ECM 1700 2200 38.5 236 - 318 4 4 4.6 187 313 - 341.6 - 3 3
INFO 170 360 120 1450 2040 NU2334MA 1700 3400 63 - 300.2 216 4 4 10 186 211 219 341.6 - 3 3
INFO 170 360 120 1450 2040 NJ2334ECMA 1700 3400 63 234 300.2 216 4 4 10 186 211 238 341.6 - 3 3
INFO 180 250 33 246 390 N1936AK/SP 3600 4000 4.95 204 - 235 1 2 2.1 189 231 - 241 - 1 2
INFO 180 250 33 242 375 N1936ECM/VE900 3800 4300 5.05 201 - 232 2 2 1.6 190 229 - 240 - 2 2
INFO 180 250 42 260 440 NU2936M2P 2200 2800 6.7 - 226 199 2 2 4 190 196 202 240 - 2 2
INFO 180 280 46 336 475 NU1036MA 2600 4000 10.5 - 246.1 205 2.1 2.1 6.1 190 202 208 270 - 2 2
INFO 180 280 46 336 475 NJ1036MA 2600 4000 10.5 215 246.1 205 2.1 2.1 6.1 190 202 208 270 - 2 2
INFO 180 280 60 627 980 NU2036ECMA 1800 2200 14 - 251 204 2.1 2.1 2.5 191 200 207 269 - 2 2
INFO 180 280 74 693 1200 N3036K/VA701 1800 2200 17 216 - 258 2.1 1 4.9 191 254 - 269 - 1 2
INFO 180 320 52 720 850 NU236ECMA 2200 3600 19.5 - 278.6 217 4 4 2.9 198 213 220 302.2 - 3 3
INFO 180 320 52 720 850 NJ236ECMA 2200 3600 20 230 278.6 217 4 4 2.9 198 213 234 302.2 - 3 -
INFO 180 320 52 720 850 NUP236ECMA 2200 3600 21 230 278.6 217 4 4 - 198 - 234 302.2 - 3 3
INFO 180 320 75 765 1100 BC1B319641(NJ/C4VA350) 1700 2000 27.5 228 272 214 7.5 4 4.2 213 208 233 304 - 3 3
INFO 180 320 75 765 1100 BC1B319640(NJP/C4VA350) 1700 2000 27.5 228 272 214 4 4 4.2 196 208 233 304 - 3 3
INFO 180 320 86 1100 1430 NU2236ECMA 2200 3600 31.5 - 280 215 4 4 4.2 197 211 218 302.2 - 3 3
INFO 180 320 86 1100 1430 NJ2236ECMA 2200 3600 31.5 229 280 215 4 4 4.2 197 211 233 302.2 - 3 3
INFO 180 320 86 1100 1430 NUP2236ECMA 2200 3600 31.5 229 280 215 4 4 - 197 - 233 302.2 - 3 3
INFO 180 320 86 1100 1430 N2236ECMP 2200 3600 30.5 229 - 291 4 4 4.2 197 287 - 302.2 - 3 3
INFO 180 340 100 1010 1500 314525(NJ/C4VA350) 1700 2000 43.5 235 287 220 4 4 6.2 196 213 223 324 - 3 3
INFO 180 380 75 1020 1290 NU336M 1600 2200 42.5 - 318.6 231 4 4 4.2 197 226 234 361.3 - 3 3
INFO 180 380 75 1020 1290 NU336ECM 1600 2200 45 - 318.6 231 4 4 4.2 197 225 234 361.3 - 3 3
INFO 180 380 126 1610 2240 NU2336MA 1600 3200 73 - 318.6 231 4 4 4.2 197 221 234 361.3 - 3 3
INFO 180 380 126 1610 2240 NU2336ECMP 1600 3200 72.5 - 318.6 231 4 4 4.2 197 223 234 361.3 - 3 3
INFO 180 380 126 1610 2240 N2336ECM/HA3 1600 3200 73 250 - 335 4 4 4.2 197 330 - 361.3 - 3 3
INFO 180 440 95 1250 1600 NU436MA 1300 1600 79 - 343 250 6 6 6.8 206 243 254 414 - 5 5
INFO 180 440 95 1250 1600 NUP436MA 1300 1600 80 275 343 250 6 6 - 206 - 279 414 - 5 5
2026 European Bearing Company, Ltd