d 600-660.4mm
Contact us

European Bearing Company, Ltd

Tel:+86 138 1864 4961, +86 131 2063 6066

E-Mail:info@eubeco.com

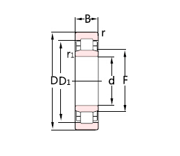
Dimension and Parameters
  Basic dimension mm Basic rated load Code Rated speed r/min Mass
kg
Dimension mm Shoulder and chamfer size mm
  d D B Dynamic ckn Static
co
kn
Reference speed Limit speed r/min d1≈ D1≈ F,E r1.2
min
r3.4
min
S1) da
min
da
max
db
min
Da
max
cancel ra
max
rb
max
INFO 600 730 60 897 2080 NU18/600ECMA/HB1 800 1000 54 - 681 632 3 3 0.7 613 625 637 717 - 2.5 2.5
INFO 600 800 90 1830 3600 319165A(NJF/C3) 630 750 135 666 740 649 5 5 3.1 620 640 672 780 - 4 4
INFO 600 800 90 1900 3800 319165(NJF/C3) 630 750 135 666 740 649 5 5 3.1 620 640 672 780 - 4 4
INFO 600 800 90 1900 3800 NU19/600ECMA/HA1 630 750 130 - 740 649 5 5 4.5 620 642 655 780 - 4 4
INFO 600 800 90 1900 3800 NUP19/600EMA/HA1 630 750 140 669 740 649 5 5 - 620 - 675 780 - 4 4
INFO 600 800 90 1900 3800 NF19/600EMB 630 750 135 669 740 757 5 5 6.4 620 736 - 780 - 4 4
INFO 600 800 118 2920 6550 NUP29/600ECMA 630 750 165 669 740 649 5 5 - 620 - 675 780 - - -
INFO 600 870 118 2750 5100 NU10/600MA 700 900 245 - 779 667 6 6 14 623 658 672 847 - 5 5
INFO 600 870 155 4180 8000 NU20/600ECMA 600 900 325 - 793 661 6 6 6.1 623 652 667 847 - 5 5
INFO 600 870 200 5390 11000 NU30/600ECMA/HA1 500 600 415 - 796 661 6 6 14.5 626 655 666 844 - 5 5
INFO 600 870 200 5280 11200 N30/600K/VA701 500 600 410 691 - 814 3 6 20 626 808 - 844 - 2.5 5
INFO 630 780 69 1100 2500 NJ18/630ECMA 750 950 75 682 724 667 4 4 1.5 645 662 685 765 - 3 -
INFO 630 780 88 1570 3900 N28/630MB 630 750 100 687 - 743 4 4 7 646 737 - 764 - 3 3
INFO 630 780 112 2200 5700 N38/630MB 560 670 120 683 - 745 4 4 6.4 646 739 - 764 - 3 3
INFO 630 780 112 2200 5700 NF38/630MB 560 670 125 683 729 745 4 4 6.4 646 723 - 764 - 3 3
INFO 630 850 100 2240 4400 NU19/630MA 700 900 168 - 785 683 6 6 4.5 653 678 688 827 - 5 5
INFO 630 850 100 2240 4400 NU19/630ECMA/HB1 700 900 168 - 785 683 6 6 4.5 653 678 688 827 - 5 5
INFO 630 850 128 3300 7200 NU29/630ECMA 700 900 224 - 782 683 6 6 7.1 653 678 688 827 - 5 5
INFO 630 850 128 3300 7200 NUP29/630ECMA 700 900 230 703 782 683 6 6 - 653 - 709 827 - 5 5
INFO 630 920 128 3410 6200 NU10/630ECMA/HA2 450 530 285 - 837 702 7.5 7.5 6.2 666 691 706 887 - 6 6
INFO 630 920 128 3410 6200 NUP10/630ECMA/HA2 450 530 285 731 837 702 7.5 7.5 - 666 - 737 887 - 6 6
INFO 630 920 170 4730 9500 NU20/630ECMA 560 850 400 - 832 699 7.5 7.5 8.7 658 690 705 892 - 6 6
INFO 630 920 212 6440 14300 NU30/630/342771A 450 530 490 - 827 699 7.5 7.5 9.7 666 690 705 887 - 6 6
INFO 660.4 863.6 107.95 3080 6550 NUP/660.401/C9 560 670 177 728 804 704 5 5 - 680 734 - 643 - 4 4
INFO 600 730 60 897 2080 NU18/600ECMA/HB1 800 1000 54 - 681 632 3 3 0.7 613 625 637 717 - 2.5 2.5
INFO 600 800 90 1830 3600 319165A(NJF/C3) 630 750 135 666 740 649 5 5 3.1 620 640 672 780 - 4 4
INFO 600 800 90 1900 3800 319165(NJF/C3) 630 750 135 666 740 649 5 5 3.1 620 640 672 780 - 4 4
INFO 600 800 90 1900 3800 NU19/600ECMA/HA1 630 750 130 - 740 649 5 5 4.5 620 642 655 780 - 4 4
INFO 600 800 90 1900 3800 NUP19/600EMA/HA1 630 750 140 669 740 649 5 5 - 620 - 675 780 - 4 4
INFO 600 800 90 1900 3800 NF19/600EMB 630 750 135 669 740 757 5 5 6.4 620 736 - 780 - 4 4
INFO 600 800 118 2920 6550 NUP29/600ECMA 630 750 165 669 740 649 5 5 - 620 - 675 780 - - -
INFO 600 870 118 2750 5100 NU10/600MA 700 900 245 - 779 667 6 6 14 623 658 672 847 - 5 5
INFO 600 870 155 4180 8000 NU20/600ECMA 600 900 325 - 793 661 6 6 6.1 623 652 667 847 - 5 5
INFO 600 870 200 5390 11000 NU30/600ECMA/HA1 500 600 415 - 796 661 6 6 14.5 626 655 666 844 - 5 5
INFO 600 870 200 5280 11200 N30/600K/VA701 500 600 410 691 - 814 3 6 20 626 808 - 844 - 2.5 5
INFO 630 780 69 1100 2500 NJ18/630ECMA 750 950 75 682 724 667 4 4 1.5 645 662 685 765 - 3 -
INFO 630 780 88 1570 3900 N28/630MB 630 750 100 687 - 743 4 4 7 646 737 - 764 - 3 3
INFO 630 780 112 2200 5700 N38/630MB 560 670 120 683 - 745 4 4 6.4 646 739 - 764 - 3 3
INFO 630 780 112 2200 5700 NF38/630MB 560 670 125 683 729 745 4 4 6.4 646 723 - 764 - 3 3
INFO 630 850 100 2240 4400 NU19/630MA 700 900 168 - 785 683 6 6 4.5 653 678 688 827 - 5 5
INFO 630 850 100 2240 4400 NU19/630ECMA/HB1 700 900 168 - 785 683 6 6 4.5 653 678 688 827 - 5 5
INFO 630 850 128 3300 7200 NU29/630ECMA 700 900 224 - 782 683 6 6 7.1 653 678 688 827 - 5 5
INFO 630 850 128 3300 7200 NUP29/630ECMA 700 900 230 703 782 683 6 6 - 653 - 709 827 - 5 5
INFO 630 920 128 3410 6200 NU10/630ECMA/HA2 450 530 285 - 837 702 7.5 7.5 6.2 666 691 706 887 - 6 6
INFO 630 920 128 3410 6200 NUP10/630ECMA/HA2 450 530 285 731 837 702 7.5 7.5 - 666 - 737 887 - 6 6
INFO 630 920 170 4730 9500 NU20/630ECMA 560 850 400 - 832 699 7.5 7.5 8.7 658 690 705 892 - 6 6
INFO 630 920 212 6440 14300 NU30/630/342771A 450 530 490 - 827 699 7.5 7.5 9.7 666 690 705 887 - 6 6
INFO 660.4 863.6 107.95 3080 6550 NUP/660.401/C9 560 670 177 728 804 704 5 5 - 680 734 - 643 - 4 4
2026 European Bearing Company, Ltd