d 850-1060mm
Contact us

European Bearing Company, Ltd

Tel:+86 138 1864 4961, +86 131 2063 6066

E-Mail:info@eubeco.com

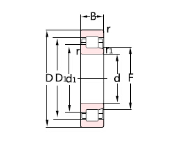
Dimension and Parameters
  Basic dimension mm Basic rated load Code Rated speed r/min Mass
kg
Dimension mm Shoulder and chamfer size mm
  d D B/B1 Dynamic ckn Static
co
kn
Reference speed Limit speed r/min d1≈ D1≈ F,E r1.2
min
r3.4
min
S1) da
min
da
max
db
min
Da
max
cancel ra
max
rb
max
INFO 850 1030 106 2120 6000 NU28/850MA 500 670 190 - 961 702 5 5 7 868 891 908 1012 - 4 4
INFO 850 1030 106 2120 6000 N28/850MB 500 670 195 920 - 982 5 5 15 868 975 - 1012 - 4 4
INFO 850 1220 212 8420 18600 NU20/850ECMA 360 560 880 - 1110 942 7.5 7.5 2 878 936 956 1190 - 6 6
INFO 850 1220 212 8420 18600 NJ20/850ECMA 360 560 880 - - 942 7.5 7.5 - 878 - - 1190 - 6 6
INFO 900 1090 85 1980 4900 NU18/900MA(C3H) 450 600 170 - 1026 948 5 5 4.7 918 942 956 1072 - 4 4
INFO 900 1090 112 2700 7200 NU28/900MA/343017 - - 235 - 1026 949 5 5 9.3 920 944 956 1070 - 4 4
INFO 900 1090 112 2700 7200 N28/900MB - - 240 968 - 1045 5 5 9.4 920 1038 - 1070 - 4 4
INFO 900 1180 122 4130 8800 NU19/900ECMA - - 380 - 1095 966.5 6 6 4.1 926 957 973 1154 - 5 5
INFO 900 1180 165 5280 12500 NU29/900EMA6/VE043 430 560 560 - 1096 969 6 6 5.9 923 958 975 1157 - 5 5
INFO 950 1250 175 5830 14000 NU29/950ECMA - - 745 - 1152 1024 7.5 7.5 7.2 983 1013 1031 1217 - 6 6
INFO 1000 1220 100 2640 6550 NU18/1000MA/HB1 400 530 265 - 1143 1053 6 6 12.1 1023 1040 1060 1197 - 5 5
INFO 1000 1220 100/128 2640 6550 NUP18/1000MA/HB1 400 530 287 - 1143 1053 6 6 26 1023 1040 1060 1197 - 5 5
INFO 1000 1220 128 3690 10000 NF28/1000ECMP/HA1 - - 350 1075 1143 1165 6 6 6.9 1026 1135 - 1194 - 5 5
INFO 1000 1220 128 3690 10000 NJ28/1000ECMP/HA1 - - 345 1075 1143 1053 6 6 7.6 1026 1040 1082 1194 - 5 5
INFO 1000 1320 185 7040 17300 NU29/1000ECFR - - 700 - 1221 1082 7.5 7.5 8.4 1033 1072 1089 1287 - 6 6
INFO 1060 1280 128 3580 10400 N28/1060MB - - 360 1140 - 1225 6 6 11.6 1086 1218 - 1254 - 5 5
INFO 1060 1400 195 7210 17300 NU29/1060ECMA/HB1 - - 870 - 1295 1142 7.5 7.5 7.1 1093 1133 1149 1367 - 6 6
INFO 1060 1400 250 9130 24000 NU39/1060ECKMA/HA1 - - 1070 - 1298 1146 7.5 7.5 17.5 1093 1140 1153 1367 - 6 6
INFO 1060 1500 325 13000 32500 N30/1060/241663 - - 1900 1200 - 1390 9.5 9.5 24.3 1100 1382 - 1460 - 8 8
INFO 850 1030 106 2120 6000 NU28/850MA 500 670 190 - 961 702 5 5 7 868 891 908 1012 - 4 4
INFO 850 1030 106 2120 6000 N28/850MB 500 670 195 920 - 982 5 5 15 868 975 - 1012 - 4 4
INFO 850 1220 212 8420 18600 NU20/850ECMA 360 560 880 - 1110 942 7.5 7.5 2 878 936 956 1190 - 6 6
INFO 850 1220 212 8420 18600 NJ20/850ECMA 360 560 880 - - 942 7.5 7.5 - 878 - - 1190 - 6 6
INFO 900 1090 85 1980 4900 NU18/900MA(C3H) 450 600 170 - 1026 948 5 5 4.7 918 942 956 1072 - 4 4
INFO 900 1090 112 2700 7200 NU28/900MA/343017 - - 235 - 1026 949 5 5 9.3 920 944 956 1070 - 4 4
INFO 900 1090 112 2700 7200 N28/900MB - - 240 968 - 1045 5 5 9.4 920 1038 - 1070 - 4 4
INFO 900 1180 122 4130 8800 NU19/900ECMA - - 380 - 1095 966.5 6 6 4.1 926 957 973 1154 - 5 5
INFO 900 1180 165 5280 12500 NU29/900EMA6/VE043 430 560 560 - 1096 969 6 6 5.9 923 958 975 1157 - 5 5
INFO 950 1250 175 5830 14000 NU29/950ECMA - - 745 - 1152 1024 7.5 7.5 7.2 983 1013 1031 1217 - 6 6
INFO 1000 1220 100 2640 6550 NU18/1000MA/HB1 400 530 265 - 1143 1053 6 6 12.1 1023 1040 1060 1197 - 5 5
INFO 1000 1220 100/128 2640 6550 NUP18/1000MA/HB1 400 530 287 - 1143 1053 6 6 26 1023 1040 1060 1197 - 5 5
INFO 1000 1220 128 3690 10000 NF28/1000ECMP/HA1 - - 350 1075 1143 1165 6 6 6.9 1026 1135 - 1194 - 5 5
INFO 1000 1220 128 3690 10000 NJ28/1000ECMP/HA1 - - 345 1075 1143 1053 6 6 7.6 1026 1040 1082 1194 - 5 5
INFO 1000 1320 185 7040 17300 NU29/1000ECFR - - 700 - 1221 1082 7.5 7.5 8.4 1033 1072 1089 1287 - 6 6
INFO 1060 1280 128 3580 10400 N28/1060MB - - 360 1140 - 1225 6 6 11.6 1086 1218 - 1254 - 5 5
INFO 1060 1400 195 7210 17300 NU29/1060ECMA/HB1 - - 870 - 1295 1142 7.5 7.5 7.1 1093 1133 1149 1367 - 6 6
INFO 1060 1400 250 9130 24000 NU39/1060ECKMA/HA1 - - 1070 - 1298 1146 7.5 7.5 17.5 1093 1140 1153 1367 - 6 6
INFO 1060 1500 325 13000 32500 N30/1060/241663 - - 1900 1200 - 1390 9.5 9.5 24.3 1100 1382 - 1460 - 8 8
2026 European Bearing Company, Ltd