d 1120-1900mm
Contact us

European Bearing Company, Ltd

Tel:+86 138 1864 4961, +86 131 2063 6066

E-Mail:info@eubeco.com

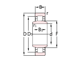
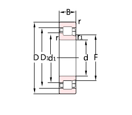
Dimension and Parameters
  Basic dimension mm Basic rated load Code Rated speed r/min Mass
kg
Dimension mm Shoulder and chamfer size mm
  d D B Dynamic ckn Static
co
kn
Reference speed Limit speed r/min d1≈ D1≈ F,E r1.2
min
r3.4
min
S1) da
min
da
max
db
min
Da
max
cancel ra
max
rb
max
INFO 1120 1360 106 3410 8650 NJ18/1120ECMA 340 430 341 1202 1290 1182 6 6 9.8 1143 1175 1210 1337 - 5 5
INFO 1180 1420 106 3030 7800 NJ18/1180ECMA/W20 320 400 350 1263 1338 1242 6 6 12 1203 1228 1270 1397 - 5 5
INFO 1180 1540 206 8970 21600 NU29/1180ECMA/HA1 - - 1050 - 1434 1258 7.5 7.5 14.3 1213 1250 1266 1507 - 6 6
INFO 1180 1540 206 8970 21600 NUP29/1180ECMA/HA1 - - 1090 1296 1434 1258 7.5 7.5 - 1213 - 1304 1507 - 6 6
INFO 1180 1540 272 11200 29000 N39/1180MB - - 1400 1299 - 1466 7.5 7.5 21.2 1213 1458 - 1507 - 6 6
INFO 1250 1750 290 12800 30500 N20/1250MB - - 2320 1435 - 1635 9.5 9.5 16.4 1290 1626 - 1710 - 8 8
INFO 1320 1600 122 4460 11400 NU18/1320MAS/343016 260 340 536 - 1503 1395 6 6 4.3 1343 1382 1403 1577 - 5 5
INFO 1320 1600 122 4460 11400 NJ18/1320ECMA/VE043 260 340 536 1412 1512 1385 6 6 7.7 1343 1375 1420 1577 - 5 5
INFO 1320 1720 230 11400 30500 NU29/1320ECFR/VE043 - - 1500 - 1594 1420 7.5 7.5 15 1356 1406 1428 1687 - 6 6
INFO 1320 1720 300 13200 34000 N39/1320MB - - 1900 1452 - 1640 7.5 7.5 11.8 1356 1631 - 1687 - 6 6
INFO 1400 1700 175 6600 18300 N28/1400ECMP 220 360 860 1506 - 1637 7.5 7.5 16.2 1428 1627 1647 1672 - 6 6
INFO 1500 1820 140 3300 8000 NF18/1500 - - 665 1618 - 1738 7.5 7.5 18.5 1533 1730 - 1787 - 6 6
INFO 1700 2060 160 3690 9150 N18/1700 - - 925 1832 - 1960 7.5 7.5 22.5 1733 1950 - 2027 - 6 6
INFO 1700 2060 160 3690 9150 NF18/1700 - - 935 1832 1937 1960 7.5 7.5 4 1733 1928 - 2027 - 6 6
INFO 1900 2300 175 8580 25000 N18/1900/VE043 - - 1480 2028 - 2204 9.5 9.5 11.5 1940 2194 - 2260 - 8 8
INFO 1120 1360 106 3410 8650 NJ18/1120ECMA 340 430 341 1202 1290 1182 6 6 9.8 1143 1175 1210 1337 - 5 5
INFO 1180 1420 106 3030 7800 NJ18/1180ECMA/W20 320 400 350 1263 1338 1242 6 6 12 1203 1228 1270 1397 - 5 5
INFO 1180 1540 206 8970 21600 NU29/1180ECMA/HA1 - - 1050 - 1434 1258 7.5 7.5 14.3 1213 1250 1266 1507 - 6 6
INFO 1180 1540 206 8970 21600 NUP29/1180ECMA/HA1 - - 1090 1296 1434 1258 7.5 7.5 - 1213 - 1304 1507 - 6 6
INFO 1180 1540 272 11200 29000 N39/1180MB - - 1400 1299 - 1466 7.5 7.5 21.2 1213 1458 - 1507 - 6 6
INFO 1250 1750 290 12800 30500 N20/1250MB - - 2320 1435 - 1635 9.5 9.5 16.4 1290 1626 - 1710 - 8 8
INFO 1320 1600 122 4460 11400 NU18/1320MAS/343016 260 340 536 - 1503 1395 6 6 4.3 1343 1382 1403 1577 - 5 5
INFO 1320 1600 122 4460 11400 NJ18/1320ECMA/VE043 260 340 536 1412 1512 1385 6 6 7.7 1343 1375 1420 1577 - 5 5
INFO 1320 1720 230 11400 30500 NU29/1320ECFR/VE043 - - 1500 - 1594 1420 7.5 7.5 15 1356 1406 1428 1687 - 6 6
INFO 1320 1720 300 13200 34000 N39/1320MB - - 1900 1452 - 1640 7.5 7.5 11.8 1356 1631 - 1687 - 6 6
INFO 1400 1700 175 6600 18300 N28/1400ECMP 220 360 860 1506 - 1637 7.5 7.5 16.2 1428 1627 1647 1672 - 6 6
INFO 1500 1820 140 3300 8000 NF18/1500 - - 665 1618 - 1738 7.5 7.5 18.5 1533 1730 - 1787 - 6 6
INFO 1700 2060 160 3690 9150 N18/1700 - - 925 1832 - 1960 7.5 7.5 22.5 1733 1950 - 2027 - 6 6
INFO 1700 2060 160 3690 9150 NF18/1700 - - 935 1832 1937 1960 7.5 7.5 4 1733 1928 - 2027 - 6 6
INFO 1900 2300 175 8580 25000 N18/1900/VE043 - - 1480 2028 - 2204 9.5 9.5 11.5 1940 2194 - 2260 - 8 8
2026 European Bearing Company, Ltd