d 200-260mm
Contact us

European Bearing Company, Ltd

Tel:+86 138 1864 4961, +86 131 2063 6066

E-Mail:info@eubeco.com

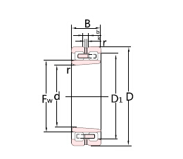
Dimension and Parameters
  Basic dimension mm Basic rated load model Shoulder and chamfer size mm
  d D B rsmin Fw Ew Dynamic C kn Static cokn Cylindrical hole Conical hole da(2) d1a dc
min
Da
max
ra
max
Mass kg
INFO 200 280 60 2.1 - 259 420 815 NN3940 NN3940K 216 221 - - 2 10.6
INFO 200 280 80 2.1 - 259 570 1220 NN4940 NN4940K 211 214 - 269 2 15.3
INFO 200 280 80 2.1 2230 - 570 1220 NNU4940 NNU4940K 211 214 228 269 2 15.3
INFO 200 310 82 2.1 - 282 655 1170 NN3040 NN3040K 211 214 - 299 2 22.7
INFO 200 310 82 2.1 232 - 655 1170 NNU3040 NNU3040K 211 214 237 299 2 22.9
INFO 200 310 109 2.1 - 282 890 1730 NN4040 NN4040K 216 225 - - 2 30.4
INFO 220 300 60 2.1 - 279 440 895 NN3944 NN3944K 236 241 - - 2 11.4
INFO 220 300 80 2.1 - 279 600 1330 NN4944 NN4944K 231 234 - 289 2 16.6
INFO 220 300 80 2.1 243 - 600 1330 NNU4944 NNU4944K 231 234 248 289 2 16.6
INFO 220 340 90 3 - 310 815 1480 NN3044 NN3044K 233 236 - 327 2.5 29.6
INFO 220 340 90 3 254 - 815 1480 NNU3044 - 233 236 259 327 2.5 30
INFO 220 340 118 3 - 310 1190 2400 NN4044 NN4044K 238 248 - - 2.5 39.8
INFO 220 370 120 4 - 331 1050 1810 NN3144 - 241 - - - 3 51.9
INFO 220 370 120 4 263 - 1050 1810 NNU3144 - 241 - 268 - 3 52.3
INFO 240 300 60 1.1 - 283 405 1030 NN4848 - 252 - - - 1 9.77
INFO 240 320 60 2.1 - 300 460 975 NN3948 NN3948K 257 262 - - 2 12.2
INFO 240 320 80 2.1 - 300 625 1450 NN4948 NN4948K 251 254 - 309 2 17.9
INFO 240 320 80 2.1 263 - 625 1450 NNU4948 NNU4948K 251 254 269 309 2 18
INFO 240 360 92 3 - 330 855 1600 NN3048 NN3048K 253 256 - 347 2.5 32.7
INFO 240 360 92 3 274 - 855 1600 NNU3048 NNU3048K 253 256 280 347 2.5 30.8
INFO 240 360 118 3 - 330 1240 2600 NN4048 NN4048K 259 269 - - 2.5 39.3
INFO 240 360 118 3 274 - 1240 2600 NNU4048 - 259 - 281 - 2.5 42.7
INFO 240 400 128 4 - 358 1170 2040 NN3148 NN3148K 262 272 - - 3 64.2
INFO 260 360 75 2.1 - 335 670 1380 NN3952 NN3952K 277 283 - - 2 21.4
INFO 260 360 100 2.1 - 335 935 2100 NN4952 NN4952K 271 275 - 349 2 28.3
INFO 260 360 100 2.1 289 - 935 2100 NNU4952 NNU4952K 271 275 295 349 2 31.1
INFO 260 400 104 4 - 364 1030 1920 NN3052 NN3052K 276 278 - 384 3 47.7
INFO 260 400 104 4 300 - 1030 1920 NNU3052 - 276 278 306 384 3 48.1
INFO 260 400 140 4 - 364 1550 3250 NN4052 NN4052K 282 294 - - 3 59.7
INFO 260 400 140 4 300 - 1550 3250 NNU4052 - 282 - 306 - 3 65
INFO 260 440 144 4 - 393 1480 2660 NN3152 NN3152K 282 294 - - 3 89.1
2026 European Bearing Company, Ltd