d 260-360mm
Contact us

European Bearing Company, Ltd

Tel:+86 138 1864 4961, +86 131 2063 6066

E-Mail:info@eubeco.com

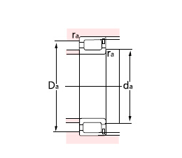
Dimension and Parameters
  Basic dimension mm Basic rated load Rated speed r/min Mass
kg
model Dimension mm Shoulder and chamfer size mm
  d D B Dynamic ckn Static cokn Reference speed Limit speed r/min NCF......V NJG......VH d1
D1≈ F,E r1.2
min
r3.4
min
S1) da
min
db
max
Da
min
Db
max
ra
max
rb
max
INFO 260 320 28 270 550 800 1000 4.75 NCF1852V NCF1852BV 283 299 307.2 2 1.1 1.8 269 - 311 313 2 1
INFO 260 360 60 737 1430 750 950 18.5 NCF2952CV NCF2952BV 291 323 333.7 2.1 1.5 3.5 271 - 348 350 2 1.5
INFO 260 400 104 1540 2550 700 900 46.5 NCF3052CV NCF3052BV 304 358 375.97 4 4 11 277 - 384 384 3 3
INFO 260 540 165 3580 5000 430 530 177 NJG2352VH NJG2352BVH 349 456 315.6 6 - 11 286 308 514 - 5 -
INFO 280 350 33 341 695 750 950 7.1 NCF1856V NCF1856BV 307 325 334 2 1.1 2.5 290 - 341 343 2 1
INFO 280 380 60 880 1730 700 900 19.7 NCF2956CV NCF2956BV 314 348 359.1 2.1 1.5 3 291 - 368 370 2 1.5
INFO 280 420 106 1570 2650 670 850 50 NCF3056V NCF3056BV 319 373 390.3 4 4 11 295 - 404 404 3 3
INFO 300 380 38 418 850 670 850 10 NCF1860V NCF1860BV 331 353 363 2.1 1.5 3 311 - 369 372 2 1.5
INFO 300 420 72 1120 2200 630 800 31.2 NCF2960CV NCF2960BV 341 375 390.5 3 3 5 314 - 405 405 2.5 2.5
INFO 300 460 118 1900 3250 600 750 69 NCF3060V NCF3060BV 355 413 433 4 4 14 315 - 445 445 3 3
INFO 320 400 38 440 900 630 800 10.5 NCF1864V NCF1864BV 351 373 383 2.1 1.5 3 331 - 389 392 2 1.5
INFO 320 440 72 1140 2360 600 750 32.9 NCF2964CV NCF2964BV 359 401 411 3 3 5 333 - 427 427 2.5 2.5
INFO 320 480 121 1980 3450 560 700 74.5 NCF3064V NCF3064BV 368 434 449.5 4 4 14 335 - 465 465 3 3
INFO 340 460 72 1190 2500 560 700 35 NCF2968CV NCF2968BV 378 421 431 3 3 5 353 - 447 447 2.5 2.5
INFO 340 520 133 2380 4150 530 670 100 NCF3068CV NCF3068BV 395 468 485.65 5 5 14 358 - 502 502 4 4
INFO 360 440 38 402 900 560 700 11.5 NCF1872V NCF1872BV 388 413 418.9 2.1 2.1 3 371 - 429 433 2 2
INFO 260 320 28 270 550 800 1000 4.75 NCF1852V NCF1852BV 283 299 307.2 2 1.1 1.8 269 - 311 313 2 1
INFO 260 360 60 737 1430 750 950 18.5 NCF2952CV NCF2952BV 291 323 333.7 2.1 1.5 3.5 271 - 348 350 2 1.5
INFO 260 400 104 1540 2550 700 900 46.5 NCF3052CV NCF3052BV 304 358 375.97 4 4 11 277 - 384 384 3 3
INFO 260 540 165 3580 5000 430 530 177 NJG2352VH NJG2352BVH 349 456 315.6 6 - 11 286 308 514 - 5 -
INFO 280 350 33 341 695 750 950 7.1 NCF1856V NCF1856BV 307 325 334 2 1.1 2.5 290 - 341 343 2 1
INFO 280 380 60 880 1730 700 900 19.7 NCF2956CV NCF2956BV 314 348 359.1 2.1 1.5 3 291 - 368 370 2 1.5
INFO 280 420 106 1570 2650 670 850 50 NCF3056V NCF3056BV 319 373 390.3 4 4 11 295 - 404 404 3 3
INFO 300 380 38 418 850 670 850 10 NCF1860V NCF1860BV 331 353 363 2.1 1.5 3 311 - 369 372 2 1.5
INFO 300 420 72 1120 2200 630 800 31.2 NCF2960CV NCF2960BV 341 375 390.5 3 3 5 314 - 405 405 2.5 2.5
INFO 300 460 118 1900 3250 600 750 69 NCF3060V NCF3060BV 355 413 433 4 4 14 315 - 445 445 3 3
INFO 320 400 38 440 900 630 800 10.5 NCF1864V NCF1864BV 351 373 383 2.1 1.5 3 331 - 389 392 2 1.5
INFO 320 440 72 1140 2360 600 750 32.9 NCF2964CV NCF2964BV 359 401 411 3 3 5 333 - 427 427 2.5 2.5
INFO 320 480 121 1980 3450 560 700 74.5 NCF3064V NCF3064BV 368 434 449.5 4 4 14 335 - 465 465 3 3
INFO 340 460 72 1190 2500 560 700 35 NCF2968CV NCF2968BV 378 421 431 3 3 5 353 - 447 447 2.5 2.5
INFO 340 520 133 2380 4150 530 670 100 NCF3068CV NCF3068BV 395 468 485.65 5 5 14 358 - 502 502 4 4
INFO 360 440 38 402 900 560 700 11.5 NCF1872V NCF1872BV 388 413 418.9 2.1 2.1 3 371 - 429 433 2 2
2026 European Bearing Company, Ltd