d 200-220mm
Contact us

European Bearing Company, Ltd

Tel:+86 138 1864 4961, +86 131 2063 6066

E-Mail:info@eubeco.com

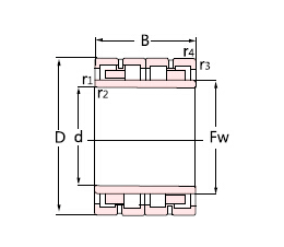
Dimension and Parameters
  Basic dimension mm Code Basic rated load Mass
kg
Other brands and models mm
  d D B Fw r1.2min r3.4min Dynamic ckn Static
co
kn
SKF FAG NTN NSK KOYO
INFO 200 280 188 222 2.1 2.1 FC4056188 1210 2720 36 - - - - -
INFO 200 280 200 222 2.1 2.1 FC4056200E 1510 3310 39 313893 508726 4R4037 - 313893-1
INFO 200 280 200 224 2.1 2.1 FC4056200 1210 3200 39.4 - - - 200RV2801 -
INFO 200 290 130 226 2.1 2.1 FC4058130 941 1916 38.5 - - - - -
INFO 200 290 192 226 2.1 2.1 FC4058192 1540 3310 42.8 313811 512580 4R4041 200RV2901 313811
INFO 200 290 202 226 2.1 2.1 FC4058202 1540 3310 43.4 - - - - -
INFO 200 310 130 229 2.1 2.1 FC4062130 1113 2254 36.3 - - - - -
INFO 200 310 200 229 2.1 2.1 FC4062200 1573 3625 55.8 - 524373 - - -
INFO 200 310 230 229 2.1 2.1 FC4062230 2010 3750 64 313639/VJ202 - - - -
INFO 200 320 216 231 2.1 2.1 FC4064216 1794 3404 67 - - 4R4028 - -
INFO 210 290 192 234 2.1 2.1 FC4258192 1185 3245 38.2 - - - - -
INFO 210 290 192 236 2.1 2.1 FC4258192E 1450 3400 41 313646 507628 4R4206 210RV2901 -
INFO 210 300 170 234 2.1 2.1 FC4260170 1215 2845 38.8 - - - - -
INFO 210 300 210 234 2.1 2.1 FC4260210 1300 3209 47.9 - - - - -
INFO 220 290 192 239 2.1 2.1 FC4458192 1190 3350 33.8 - - 4R4413 - -
INFO 220 300 160 245 2.1 2.1 FC4460160 1000 2590 32.8 - - 4R4419 - -
INFO 220 300 190 240 2.1 2.1 FC4460190 1219 3323 39.3 - - - - -
INFO 220 300 192 242 2.1 2.1 FC4460192 1219 3323 39.7 - - - - -
INFO 220 300 200 240 2.1 2.1 FCD4460200 1790 3900 41 BC2B322341/HB1VJ202 - - - -
INFO 220 310 157 246 2.1 2.1 FC4462157 1300 3400 39.5 - - - - -
INFO 220 310 190 246 2.1 2.1 FC4462190 1320 3450 45 - - - - -
INFO 220 310 192 246 2.1 2.1 FC4462192 1680 3650 46 313839 507333 4R4426 220RV3101 -
INFO 220 310 192 247 2.1 2.1 FC4462192E 1320 3450 46 - - - - -
INFO 220 310 204 247 2.1 2.1 FCD4462204 1420 3750 49.8 - - 4R4425 - -
INFO 220 310 215 242 2.1 2.1 FCD4462215 1590 3950 51.5 - - 4R4420 - -
INFO 220 310 225 244 2.1 2.1 FCD4462225E 1940 4300 54.5 313894B 514461 - - -
INFO 220 310 225 245 2.1 2.1 FCD4462225 1480 3950 54.9 - - 4R4416 220RV3102 44FC31225
INFO 220 310 265 245 2.1 2.1 FCD4462265 1690 4700 63.5 - - 4R4430 - -
INFO 220 320 160 245 2.1 2.1 FC4464160 1190 2550 46.5 - - 4R4428 - -
INFO 220 320 192 246 2.1 2.1 FC4464192 1600 3440 51.5 - - - - -
2026 European Bearing Company, Ltd