d 320-370mm
Contact us

European Bearing Company, Ltd

Tel:+86 138 1864 4961, +86 131 2063 6066

E-Mail:info@eubeco.com

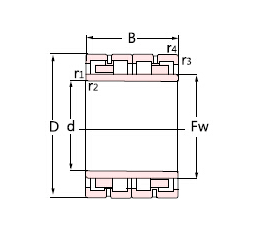
Dimension and Parameters
  Basic dimension mm Code Basic rated load Mass
kg
Other brands and models mm
  d D B Fw r1.2min r3.4min Dynamic ckn Static
co
kn
SKF FAG NTN NSK KOYO
INFO 320 460 340 360 4 4 FCD6492340 3400 9450 178 - - E-4R6412 - -
INFO 320 470 350 357 4 4 FCD6494350 5200 9780 225 - 532592 - - -
INFO 320 480 350 364 4 4 FCD6496350 4950 10800 235 314274B 541851 - - -
INFO 330 430 230 358 4 4 FC6686230 1986 5644 87.4 - - - - -
INFO 330 440 200 360 4 4 FC6688200 1820 4850 83.6 - - E-4R6603 - -
INFO 330 460 340 365 4 4 FCD6692340 3650 8950 175 313445C 543447 E-4R6605 330RV4601 -
INFO 330 460 340 364 4 4 FCD6692340E 3860 9150 174 - - - - 66FC46340
INFO 340 450 250 364 4 4 FC6890250E 2400 6530 108.1 - - - - -
INFO 340 450 250 371 4 4 FC6890250 2307 6585 124.4 - - - - -
INFO 340 450 250 368 4 4 FC6890250E1 2750 6480 106 - - - - 68FC45250BW
INFO 340 460 260 370 4 4 FC6892260 3120 8120 124.8 - - - - -
INFO 340 480 280 374 4 4 FC6896280 3120 8120 159.9 - - - - -
INFO 340 480 350 378 4 4 FCD6896350 3575 10510 200.9 314485A 527634 - - -
INFO 340 490 300 377 4 4 FCD6898300 3350 8300 187 - - E-4R6804 - -
INFO 340 500 370 385 4 4 FCD68100370 5230 11800 260 BC4B322261/HB1 517749 - - -
INFO 340 560 380 396 4 4 FCD68120380 6820 12900 350 313404A 545171 - - -
INFO 350 500 380 389 4 4 FCDP70100380 3880 10800 242.3 314563/VJ202 - - - -
INFO 350 500 410 388 4 4 FCDP70100410 5830 13700 285 BC4B322777/HB1 532001 - - -
INFO 350 520 300 401 4 4 FCDP70104300 4290 9000 220 BC2B319878/VJ202 - - - -
INFO 360 480 290 392 4 4 FC7296290E 3470 8510 145 - - - - 72FC48290
INFO 360 480 290 394 4 4 FC7296290 2773 8075 146.2 - - - - -
INFO 360 500 250 394 4 4 FC72100250 3580 7350 145 BC2B320075/VJ202 - - - -
INFO 360 510 370 399 4 4 FCD72102370 3756 10700 263 - - - - -
INFO 360 510 400 397 4 4 FCDP72102400 4250 11500 262 - - E-4R7203 - -
INFO 360 520 380 405 4 4 FCDP72104380 3350 8300 266.2 - 562913 - - -
INFO 370 480 230 400 4 4 FC7496230 2100 6250 106 - - E-4R7405 - -
INFO 370 480 250 401 4 4 FC7496250 2650 7422 116.3 - - - - -
2026 European Bearing Company, Ltd