d 420-480mm
Contact us

European Bearing Company, Ltd

Tel:+86 138 1864 4961, +86 131 2063 6066

E-Mail:info@eubeco.com

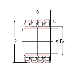
Dimension and Parameters
  Basic dimension mm Code Basic rated load Mass
kg
Other brands and models mm
  d D B Fw r1.2min r3.4min Dynamic ckn Static
co
kn
SKF FAG NTN NSK KOYO
INFO 420 560 260 468 5 5 FCD84112260 3740 9650 210 BC2B320074/VAJ202 - - - -
INFO 420 560 280 457 5 5 FCD84112280 3930 9140 191.1 - - - - 84FC56280
INFO 420 580 320 463 5 5 FCD84116320 4680 10800 250 313555C/VJ202 - - - -
INFO 420 600 440 470 5 5 FCDP84120440 5768 17100 400 313513 545467 - - -
INFO 420 620 300 473 5 5 FCD84124300 5200 15800 416 - - - - -
INFO 420 620 400 473 5 5 FCDP84124400E 6930 15600 430 314391/VJ202 - - - -
INFO 420 620 400 478 5 5 FCDP84124400 5000 13400 410 - - E-4R8401 - -
INFO 430 570 340 465 5 5 FCD86114340 6000 16800 260 - 562415 - - -
INFO 430 590 420 476 5 5 FCDP86118420 4450 13400 347 - - - 430RV5921 -
INFO 440 620 450 487 5 5 FCDP88124450E 7810 19600 427.2 314554B 545628 E-4R8801 - 88FC62450AW
INFO 440 620 450 490 5 5 FCDP88124450 6350 19000 430 - - - 440RV6221 -
INFO 440 650 355 494 5 5 FCD88130355 6700 14000 420 316899A - - - -
INFO 440 660 340 492 5 5 FCDP88132340 6710 13700 430 635043 - - - -
INFO 450 590 300 490 5 5 FCD90108300 3910 12000 245 315811E - - - -
INFO 450 590 435 486 5 5 FCDP90108435 5150 14800 345 - 542648 - - -
INFO 450 630 450 500 5 5 FCDP90126450 6820 16600 433 - - - - 90FC63450A
INFO 460 610 322 499 5 5 FCD92122322 4100 14600 290 - 526420 - - -
INFO 460 620 320 500 5 5 FCD92124320 4800 16200 290 - 526026 - - -
INFO 460 620 400 502 5 5 FCD92124400 6500 17000 343.9 - - E-4R9209 - -
INFO 460 650 355 509.5 5 5 FCD92130355 6270 14600 380 313031A - - - -
INFO 460 650 424 510 5 5 FCDP92130424 7810 18300 450 315196A 513584A - - -
INFO 460 650 470 509 5 5 FCDP92130470 8800 22400 510 314560 518846 E-4R9216 - 92FC65470W
INFO 460 660 475 508 5 5 FCDP92132475 11000 35000 585 - 517693 - - -
INFO 460 670 500 522 5 5 FCDP92134500 7650 22700 596 - - - 460RV6721 -
INFO 460 700 540 519 5 5 FCDP92140540 12000 37500 785 - 529368 - - -
INFO 480 650 340 522 5 5 FCD96130340 6550 18400 320 - 525884 - - -
INFO 480 650 420 522 5 5 FCD96130420 8120 23700 440 - 525912 - - -
2026 European Bearing Company, Ltd