d 630-780mm
Contact us

European Bearing Company, Ltd

Tel:+86 138 1864 4961, +86 131 2063 6066

E-Mail:info@eubeco.com

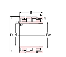
Dimension and Parameters
  Basic dimension mm Code Basic rated load Mass
kg
Other brands and models mm
  d D B Fw r1.2min r3.4min Dynamic ckn Static
co
kn
SKF FAG NTN NSK KOYO
INFO 630 850 436 690 6 6 FCD126170436 7480 23600 720 BC2-8012/HB1VJ202 - - - -
INFO 630 900 670 698 6 6 FCDP126180670 20800 63500 1525 - 517683 - - -
INFO 650 900 650 704 7.5 7.5 FCDP130180650 17200 41500 1260 BC4-8002/HA6 - - - -
INFO 650 920 670 723 7.5 7.5 FCDP130184670 13700 46500 1460 313007C 515194A E-4R13005 650RV9211 -
INFO 650 920 690 723 7.5 7.5 FCDP130184690 14300 46500 1550 - - E-4R13003 - -
INFO 650 920 690 724 7.5 7.5 FCDP130184690E 16700 45500 1490 - - - - 130FC92690
INFO 660 820 440 702 7.5 7.5 FCD132164440 7480 22800 530 239509FA - E-4R13201 - -
INFO 660 880 450 727 7.5 7.5 FCD132176450 7210 23600 785 313477/VJ202 - - - -
INFO 670 950 700 750 7.5 7.5 FCDP134190700 14500 47300 1670 - - - - -
INFO 680 940 600 743 7.5 7.5 FCDP136188600 13800 53400 1260 - 533683 - - -
INFO 680 980 640 760 7.5 7.5 FCDP136196640 17200 44000 1590 313154C 524229 - - -
INFO 690 980 715 767.5 7.5 7.5 FCDP138196715 15840 51300 1780 313008A 517681 E-4R13802 690RV9831 -
INFO 690 980 750 766 7.5 7.5 FCDP138196750 18900 50800 1850 - - - - 138FC98750
INFO 700 930 620 763 7.5 7.5 FCD140186620 12900 43000 1197 316967 530487 E-4R14003 700RV9311 -
INFO 700 980 600 774 7.5 7.5 FCD140196600 17800 48200 1680 - - - - 140FC98700
INFO 710 1000 715 787.5 7.5 7.5 FCDP142200715 16800 54500 1860 313403C 517680A E-4R14205 - -
INFO 730 940 500 780 7.5 7.5 FCD146188500 12300 42500 872 - 526447 - - -
INFO 730 960 620 790 7.5 7.5 FCDP146192620 15400 45000 1220 315982 525438 - - -
INFO 730 1030 750 809 7.5 7.5 FCDP146206750 20900 58500 2040 314518B 517679 - - -
INFO 750 1000 500 816 7.5 7.5 FCD150200500 12300 33500 1150 314420/VJ202 524881A - - -
INFO 750 1000 670 813 7.5 7.5 FCDP150200670 17600 50000 1480 315973 524881A - - -
INFO 780 1070 780 853 7.5 7.5 FCDP156214780 22400 61000 2300 BC4-8015/HB1 540088 - - -
INFO 630 850 436 690 6 6 FCD126170436 7480 23600 720 BC2-8012/HB1VJ202 - - - -
INFO 630 900 670 698 6 6 FCDP126180670 20800 63500 1525 - 517683 - - -
INFO 650 900 650 704 7.5 7.5 FCDP130180650 17200 41500 1260 BC4-8002/HA6 - - - -
INFO 650 920 670 723 7.5 7.5 FCDP130184670 13700 46500 1460 313007C 515194A E-4R13005 650RV9211 -
INFO 650 920 690 723 7.5 7.5 FCDP130184690 14300 46500 1550 - - E-4R13003 - -
INFO 650 920 690 724 7.5 7.5 FCDP130184690E 16700 45500 1490 - - - - 130FC92690
INFO 660 820 440 702 7.5 7.5 FCD132164440 7480 22800 530 239509FA - E-4R13201 - -
INFO 660 880 450 727 7.5 7.5 FCD132176450 7210 23600 785 313477/VJ202 - - - -
INFO 670 950 700 750 7.5 7.5 FCDP134190700 14500 47300 1670 - - - - -
INFO 680 940 600 743 7.5 7.5 FCDP136188600 13800 53400 1260 - 533683 - - -
INFO 680 980 640 760 7.5 7.5 FCDP136196640 17200 44000 1590 313154C 524229 - - -
INFO 690 980 715 767.5 7.5 7.5 FCDP138196715 15840 51300 1780 313008A 517681 E-4R13802 690RV9831 -
INFO 690 980 750 766 7.5 7.5 FCDP138196750 18900 50800 1850 - - - - 138FC98750
INFO 700 930 620 763 7.5 7.5 FCD140186620 12900 43000 1197 316967 530487 E-4R14003 700RV9311 -
INFO 700 980 600 774 7.5 7.5 FCD140196600 17800 48200 1680 - - - - 140FC98700
INFO 710 1000 715 787.5 7.5 7.5 FCDP142200715 16800 54500 1860 313403C 517680A E-4R14205 - -
INFO 730 940 500 780 7.5 7.5 FCD146188500 12300 42500 872 - 526447 - - -
INFO 730 960 620 790 7.5 7.5 FCDP146192620 15400 45000 1220 315982 525438 - - -
INFO 730 1030 750 809 7.5 7.5 FCDP146206750 20900 58500 2040 314518B 517679 - - -
INFO 750 1000 500 816 7.5 7.5 FCD150200500 12300 33500 1150 314420/VJ202 524881A - - -
INFO 750 1000 670 813 7.5 7.5 FCDP150200670 17600 50000 1480 315973 524881A - - -
INFO 780 1070 780 853 7.5 7.5 FCDP156214780 22400 61000 2300 BC4-8015/HB1 540088 - - -
2026 European Bearing Company, Ltd