d 530-630mm
Contact us

European Bearing Company, Ltd

Tel:+86 138 1864 4961, +86 131 2063 6066

E-Mail:info@eubeco.com

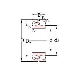
Dimension and Parameters
  Basic dimension mm Basic rated load Fatigue load limit Rated speed model size Shoulder and Chamfer dimensions Calculation coefficient Mass kg
  d D B Dynamic ckn Static
cokn
Pu
kN
Reference speed r/min Limit speed r/min Cylindrical hole Cylindrical hole Conical hole d2~ D1~ b k r1.2
min
da
min
Da
max
ra
max
e Y1 Y2 Yo
INFO 530 650 118 2124 5300 380 530 950 248/530CAMA/W20 - 248/530CAK30MA/W20 573 612 - 7 5 3 543 637 2 5 0 15 4 5 6 7 4 5 86 0
INFO 530 650 118 2240 6400 370 260 880 - 248/530MB/W33 - - 614.1 12.2 6.3 3 542.4 637.6 2.5 0.16 4.22 6.29 4.13 89.7
INFO 530 710 136 3308 6700 465 500 900 239/530CA/W33 - 239/530CAK/W33 594 661 22 3 12 5 548 692 4 0 17 4 5 9 4 155
INFO 530 710 136 2850 6900 385 500 930 - 239/530MB/W33 - - 656.5 23.5 12.5 5 548 692 4 0.18 3.85 5.73 3.76 160
INFO 530 780 185 5267 9300 610 450 800 230/530CA/W33 230/530MB/W33 230/530CAK/W33 613 710 22 3 12 6 553 757 5 0 22 3 4 6 2 8 310
INFO 530 780 250 6973 13200 830 400 670 240/530ECA/W33 240/530MB/W33 240/530ECAK30/W33 601 687 22 3 12 6 553 757 5 0 28 2 4 3 6 2 5 410
INFO 530 870 272 8526 14000 880 360 670 231/530CA/W33 231/530MB/W33 231/530CAK/W33 638 763 22 3 12 7 5 562 838 6 0 30 2 3 3 4 2 2 645
INFO 530 870 335 10909 19000 1220 240 360 241/530ECA/W33 241/530MB/W33 241/530ECAK30/W33 623 748 22 3 12 7 5 562 838 6 0 37 1 8 2 7 1 8 830
INFO 530 980 355 13268 20400 1220 320 480 232/530CA/W33 - 232/530CAK/W33 670 836 22 3 12 9 5 570 940 8 0 35 1 9 2 9 1 8 1200
INFO 530 980 355 10900 20900 1190 230 570 - 232/530MB/W33 232/530MBK/W33 - 824.4 23.5 12.5 9.5 570 940 8 0.38 1.77 2.64 1.73 1240
INFO 560 680 118 2210 6300 390 250 840 - 248/560MB/W33 - - 644.6 12.2 6.3 3 542 638 2.5 0.15 4.47 6.65 4.37 92.7
INFO 560 750 140 3571 7200 500 450 850 239/560CA/W33 - 239/560CAK/W33 627 697 22 3 12 5 578 732 4 0 16 4 2 6 3 4 175
INFO 560 750 140 3100 7600 520 465 880 - 239/560MB/W33 - - 693.4 23.5 12.5 5 578 732 4 0.17 3.95 5.88 3.86 181
INFO 560 820 195 5779 10200 670 430 750 230/560CA/W33 230/560MB/W33 230/560CAK/W33 646 746 22 3 12 6 583 797 5 0 22 3 4 6 2 8 355
INFO 560 820 258 7621 14600 980 380 630 240/560ECA/W33 240/560MB/W33 240/560ECAK30/W33 637 728 22 3 12 6 583 797 5 0 28 2 4 3 6 2 5 465
INFO 560 920 280 9596 16000 980 340 630 231/560CA/W33 231/560MB/W33 231/560CAK/W33 675 809 22 3 12 7 5 592 888 6 0 30 2 3 3 4 2 2 740
INFO 560 920 355 12366 21600 1340 220 320 241/560ECJ/W33 241/560MB/W33 241/560ECK30J/W33 634 796 22 3 12 7 5 592 888 6 0 35 1 9 2 9 1 8 985
INFO 560 1030 365 13940 22000 1320 280 430 232/560CA/W33 - 232/560CAK/W33 706 878 22 3 12 9 5 600 990 8 0 35 1 9 2 9 1 8 1350
INFO 560 1030 365 11700 22600 910 215 540 - 232/560MB/W33 232/560MBK/W33 - 868.1 23.5 12.5 9.5 600 990 8 0.38 1.78 2.65 1.74 1397
INFO 600 730 98 1960 5300 350 435 980 - 238/600MB/W33 238/600MBK/W33 - 696.3 12.2 6.3 3 612.4 717.6 2.5 0.12 5.78 8.61 5.65 87
INFO 600 730 128 2550 7300 440 228 780 - 248/600MB/W33 - - 691.5 12.2 6.3 3 612.4 717.6 2.5 0.15 4.4 6.56 4.31 116
INFO 600 800 150 4022 8300 570 430 750 239/600CA/W33 - 239/600CAK/W33 671 744 22 3 12 5 618 782 4 0 17 4 5 9 4 220
INFO 600 800 150 3450 8600 630 430 810 - 239/600MB/W33 - - 740.5 23.5 12.5 5 618 782 4 0.17 3.95 5.88 3.86 224
INFO 600 870 200 6252 11400 735 400 700 230/600CA/W33 230/600MB/W33 230/600CAK/W33 685 789 22 3 12 6 623 847 5 0 22 3 4 6 2 8 405
INFO 600 870 272 8580 17000 1080 340 560 240/600ECA/W33 240/600MB/W33 240/600ECAK30/W33 675 774 22 3 12 6 623 847 5 0 30 2 3 3 4 2 2 520
INFO 600 980 300 10738 18000 1100 320 560 231/600CA/W33 - 231/600CAK/W33 722 863 22 3 12 7 5 632 948 6 0 30 2 3 3 4 2 2 895
INFO 600 980 300 9000 19200 810 270 560 - 231/600MB/W33 - - 852.6 23.5 12.5 7.5 632 948 6 0.31 2.2 3.27 2.15 929
INFO 600 980 375 13522 23600 1460 200 300 241/600ECA/W33 - 241/600ECAK30/W33 702 845 22 3 12 7 5 632 948 6 0 37 1 8 2 7 1 8 1200
INFO 600 980 375 11600 26000 1780 149 480 - 241/600MB/W33 - - 833 23.5 12.5 7.5 632 948 6 0.38 1.79 2.67 1.75 1180
INFO 600 1090 388 15652 25500 1460 260 400 232/600CA/W33 - 232/600CAK/W33 754 929 22 3 12 9 5 640 1050 8 0 35 1 9 2 9 1 8 1600
INFO 600 1090 388 13000 25500 1720 196 495 - 232/600MB/W33 232/600MBK/W33 - 919.5 23.5 12.5 9.5 640 1050 8 0.37 1.83 2.72 1.79 1634
INFO 630 780 112 2545 6100 415 430 750 238/630CAMA/W20 - 238/630CAKMA/W20 682 738 - 9 4 645 765 3 0 12 5 6 8 4 5 6 120
INFO 630 780 150 3200 9000 560 209 700 - 248/630MB/W33 - - 734.2 15 8 4 645 765 3 0.17 3.95 5.88 3.86 163
INFO 630 850 165 4744 9800 630 400 700 239/630CA/W33 - 239/630CAK/W33 708 787 22 3 12 6 653 827 5 0 17 4 5 9 4 280
INFO 630 850 165 4100 9900 710 405 740 - 239/630MB/W33 - - 784.5 23.5 12.5 6 653 827 5 0.18 3.8 5.66 3.72 292
INFO 630 920 212 6898 12500 780 380 670 230/630CA/W33 230/630MB/W33 230/630CAK/W33 727 839 22 3 12 7 5 658 892 6 0 21 3 2 4 8 3 2 485
INFO 630 920 290 9150 18000 1120 320 530 240/630ECJ/W33 240/630MB/W33 240/630ECK30J/W33 697 823 22 3 12 7 5 658 892 6 0 28 2 4 3 6 2 5 645
INFO 630 1030 315 12600 20800 1220 260 530 231/630CA/W33 - 231/630CAK/W33 755 918 22 3 12 7 5 662 998 6 0 30 2 3 3 4 2 2 1050
INFO 630 1030 315 9800 20700 1420 255 530 - 231/630MB/W33 231/630MBK/W33 - 896.2 23.5 12.5 7.5 662 998 6 0.31 2.21 3.29 2.16 1074
INFO 630 1030 400 15001 27000 1630 190 280 241/630ECA/W33 - 241/630ECAK30/W33 738 885 22 3 12 7 5 662 998 6 0 37 1 8 2 7 1 8 1400
INFO 630 1030 400 13100 29500 1990 136 440 - 241/630MB/W33 - - 872.2 23.5 12.5 7.5 662 998 6 0.38 1.78 2.65 1.74 1393
INFO 630 1150 412 14400 28500 1350 181 465 - 232/630MB/W33 232/630MBK/W33 - 969.2 23.5 12.5 12 678 1102 10 0.37 1.8 2.69 1.76 1940
2026 European Bearing Company, Ltd