d 260-300mm
Contact us

European Bearing Company, Ltd

Tel:+86 138 1864 4961, +86 131 2063 6066

E-Mail:info@eubeco.com

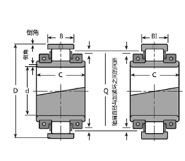
Dimension and Parameters
  Roller bearing Bearing housing Vertical bearing pedestal
  Shaft diameter D mm No. 1 Bearing rating CR kn Bearing rating cor kn Bearing rating CA kn Maximum speed of bearing rated value kn Main dimension DMM Main dimension c
mm
Main dimension BMM Main dimension BIMM Main dimension QMM Axial displacement value (2)
normal
mm
Axial displacement value (2)
max.
mm
Weight
kg
No. 1
felt ring seal
bearing housing
No. 1 three layer aluminum sealed bearing housing Main dimension J Main dimension G Main dimension L Main dimension L1 Weight
kg
number H
mm
R min Rmax Ro
mm
S
mm
Bolt serial number Bolt metric size Bolt inch size N O P T Weight kg Shaft diameter DMM
INFO 260 01 B 1000-260M 675 1182 57.8 820 374.65 122.0 66.7 66.7 344 9 22 40 01 C 1000-260M 01 C 15 OTL 419.10 90 188 222 58 P15 292 482 522 - 140 4 M30 1 1/4'' 686 228 44 585 114 260
INFO 260 01 B 260M 769 1330 66.8 730 406.40 128.0 69.0 69.0 375 10 20 50 01 C 260M 01 C 16 454.00 95 204 232 70 P16 311 514 554 - 140 4 M30 1 1/4'' 724 228 48 620 142 260
INFO 260 02 B 260M 1149 1756 98.8 750 431.80 170.0 96.8 96.8 388 13 29 77 02 C 260M 02 C 36 OTL 495.30 118 248 280 105 P36 356 576 616 - 204 4 M36 1 1/2'' 812 292 54 710 212 260
INFO 260 03 B 260M 1778 2551 131 700 482.60 211.0 105.6 124.6 430 18 33 150 03 C 260M 03 C 63 558.80 165 298 334 161 P63 394 650 690 - 304 4 M42 1 3/4'' 914 406 76 790 392 260
INFO 270 01 B 270M 769 1330 66.8 730 406.40 128.0 69.0 69.0 375 10 20 50 01 C 270M 01C 16 454.00 95 204 232 70 P16 311 514 554 - 140 4 M30 1 1/4'' 724 228 48 620 142 270
INFO 275 01 B 275M 769 1330 66.8 730 406.40 128.0 69.0 69.0 375 10 20 50 01 C 275M 01 C 16 454.00 95 204 232 70 P16 311 514 554 - 140 4 M30 1 1/4'' 724 228 48 620 142 275
INFO 280 01 B 280M 769 1330 66.8 730 406.40 128.0 69.0 69.0 375 10 20 50 01 C 280M 01 C16 454.00 95 204 232 70 P16 311 514 554 - 140 4 M30 1 1/4'' 724 228 48 620 142 280
INFO 280 02 B 280M 1367 2145 114 670 463.55 186.0 101.6 101.6 420 14 29 86 02 C 280M 02 C 37 527.10 130 264 300 131 P37 378 514 554 101 254 8 M30 1 1/4'' 914 330 60 760 292 280
INFO 280 03X B 280M 1956 2960 153 620 520.70 231.0 131.8 131.8 462 18 40 197 03X C 280M 03X C 64 596.90 165 324 352 200 P64 425 590 630 101 318 8 M36 1 1/2'' 1028 406 76 850 495 280
INFO 280 03E B 280M 2105 3233 153 620 495.30 244.0 139.7 139.7 452 20 34 182 03E C 280M 03E C 83 571.50 165 356 356 204 P83 368 482 522 120 178 8 M36 1 1/2'' 940 280 70 785 205 280
INFO 290 01 B 290M 806 1452 78.2 650 438.15 143.0 74.6 74.6 404 10 25 60 01 C 290M 01 C 17 489.00 98 216 248 86 P17 343 564 604 - 178 4 M30 1 1/4'' 762 254 50 685 169 290
INFO 290 03 B 290M 2156 3312 174 560 558.80 244.0 139.7 139.7 496 19 43 238 03 C 290M 03 C 65 641.40 165 346 370 239 P65 457 654 694 101 330 8 M36 1 1/2'' 1092 420 76 915 586 290
INFO 300 01 B 300M 806 1452 78.2 650 438.15 143.0 74.6 74.6 404 10 25 60 01 C 300M 01 C 17 489.00 98 216 248 86 P17 343 564 604 - 178 4 M30 1 1/2'' 762 254 50 685 169 300
INFO 300 02 B 300M 1467 2409 129 610 495.30 193.0 103.2 103.2 448 14 30 123 02 C 300M 02 C 38 552.50 128 268 306 129 P38 394 546 586 101 254 8 M30 1 1/2'' 958 330 60 790 330 300
INFO 300 03 B 300M 2156 3312 174 560 558.80 244.0 139.7 139.7 496 19 43 238 03 C 300M 03 C 65 641.40 165 346 370 239 P65 457 654 694 101 330 8 M36 1 1/2'' 1092 420 76 915 586 300
INFO 260 01 B 1000-260M 675 1182 57.8 820 374.65 122.0 66.7 66.7 344 9 22 40 01 C 1000-260M 01 C 15 OTL 419.10 90 188 222 58 P15 292 482 522 - 140 4 M30 1 1/4'' 686 228 44 585 114 260
INFO 260 01 B 260M 769 1330 66.8 730 406.40 128.0 69.0 69.0 375 10 20 50 01 C 260M 01 C 16 454.00 95 204 232 70 P16 311 514 554 - 140 4 M30 1 1/4'' 724 228 48 620 142 260
INFO 260 02 B 260M 1149 1756 98.8 750 431.80 170.0 96.8 96.8 388 13 29 77 02 C 260M 02 C 36 OTL 495.30 118 248 280 105 P36 356 576 616 - 204 4 M36 1 1/2'' 812 292 54 710 212 260
INFO 260 03 B 260M 1778 2551 131 700 482.60 211.0 105.6 124.6 430 18 33 150 03 C 260M 03 C 63 558.80 165 298 334 161 P63 394 650 690 - 304 4 M42 1 3/4'' 914 406 76 790 392 260
INFO 270 01 B 270M 769 1330 66.8 730 406.40 128.0 69.0 69.0 375 10 20 50 01 C 270M 01C 16 454.00 95 204 232 70 P16 311 514 554 - 140 4 M30 1 1/4'' 724 228 48 620 142 270
INFO 275 01 B 275M 769 1330 66.8 730 406.40 128.0 69.0 69.0 375 10 20 50 01 C 275M 01 C 16 454.00 95 204 232 70 P16 311 514 554 - 140 4 M30 1 1/4'' 724 228 48 620 142 275
INFO 280 01 B 280M 769 1330 66.8 730 406.40 128.0 69.0 69.0 375 10 20 50 01 C 280M 01 C16 454.00 95 204 232 70 P16 311 514 554 - 140 4 M30 1 1/4'' 724 228 48 620 142 280
INFO 280 02 B 280M 1367 2145 114 670 463.55 186.0 101.6 101.6 420 14 29 86 02 C 280M 02 C 37 527.10 130 264 300 131 P37 378 514 554 101 254 8 M30 1 1/4'' 914 330 60 760 292 280
INFO 280 03X B 280M 1956 2960 153 620 520.70 231.0 131.8 131.8 462 18 40 197 03X C 280M 03X C 64 596.90 165 324 352 200 P64 425 590 630 101 318 8 M36 1 1/2'' 1028 406 76 850 495 280
INFO 280 03E B 280M 2105 3233 153 620 495.30 244.0 139.7 139.7 452 20 34 182 03E C 280M 03E C 83 571.50 165 356 356 204 P83 368 482 522 120 178 8 M36 1 1/2'' 940 280 70 785 205 280
INFO 290 01 B 290M 806 1452 78.2 650 438.15 143.0 74.6 74.6 404 10 25 60 01 C 290M 01 C 17 489.00 98 216 248 86 P17 343 564 604 - 178 4 M30 1 1/4'' 762 254 50 685 169 290
INFO 290 03 B 290M 2156 3312 174 560 558.80 244.0 139.7 139.7 496 19 43 238 03 C 290M 03 C 65 641.40 165 346 370 239 P65 457 654 694 101 330 8 M36 1 1/2'' 1092 420 76 915 586 290
INFO 300 01 B 300M 806 1452 78.2 650 438.15 143.0 74.6 74.6 404 10 25 60 01 C 300M 01 C 17 489.00 98 216 248 86 P17 343 564 604 - 178 4 M30 1 1/2'' 762 254 50 685 169 300
INFO 300 02 B 300M 1467 2409 129 610 495.30 193.0 103.2 103.2 448 14 30 123 02 C 300M 02 C 38 552.50 128 268 306 129 P38 394 546 586 101 254 8 M30 1 1/2'' 958 330 60 790 330 300
INFO 300 03 B 300M 2156 3312 174 560 558.80 244.0 139.7 139.7 496 19 43 238 03 C 300M 03 C 65 641.40 165 346 370 239 P65 457 654 694 101 330 8 M36 1 1/2'' 1092 420 76 915 586 300
2026 European Bearing Company, Ltd